Rocks & mirror
WÄRTSILÄ
Encyclopedia of Marine and Energy Technology

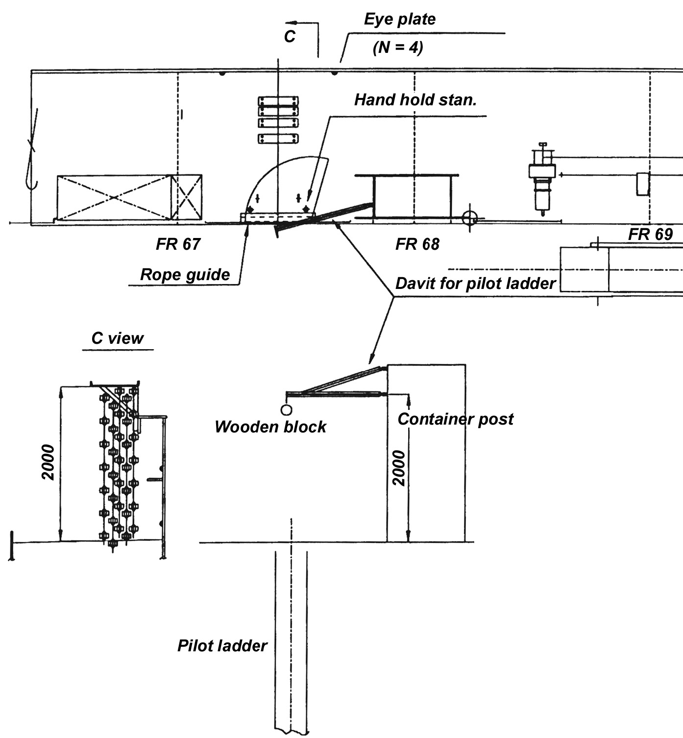
Pilot ladder

marine

A rope ladder provided for a pilot to embark and disembark safely. The pilot ladders shall be located in a place clear from any possible ship discharges. According to SOLAS the length shall be sufficient to reach water surface when the vessel in ballast condition has an adverse list of 15°C. Unfortunately such ladder is too long with steps on the deck of the pilot boat  presenting a hazard to both the pilot and deckhand. In practice it would be better to have two additional ladders with length adjusted to prevailing draught conditions.

In case of high freeboard (more than 9m), the pilot ladder shall be combined with an accommodation ladder. See also Boarding arrangements.

Further reading: Shipping industry guidance on The rigging of ladders for pilot transfer www.empa-pilots.eu

Pilot ladder Pilot ladder Pilot ladder Pilot ladder