Rocks & mirror
WÄRTSILÄ
Encyclopedia of Marine and Energy Technology

International Convention on Load Lines 1966 (ICLL 1966)

marine

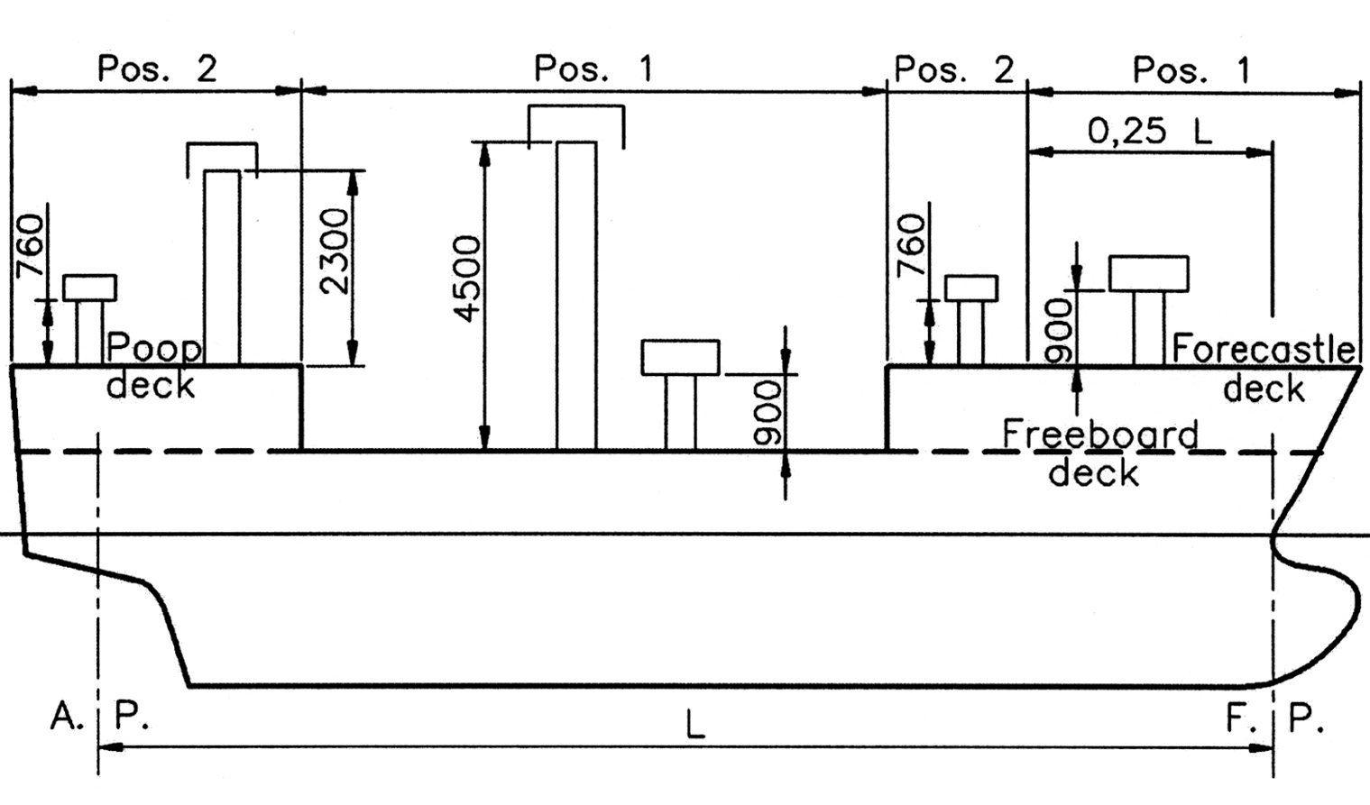
ICLL 1966 and its Protocol of 1988 are a comprehensive set of regulations to determine the minimum allowable freeboard and defines conditions of load line assignment. The minimum geometric summer freeboard is computed by taking a freeboard for a standard ship of the same length (provided in tabular form) and correcting it for those geometric properties of the ship which differ from those of the standard ship. There are corrections for block coefficient, depth, superstructure, trunks and sheer. The result of this calculation, the Freeboard mark, is permanently marked on the ship hull.

The assignment of the computed freeboard is conditional upon the prescribed means of protection and closure of openings such as hatchways, doorways, ventilation, air pipes, scuppers and discharges being complied with. Regulations are also included for freeing ports in bulwark to prevent water accumulating on deck, and for guard rails and walkways to provide safe passage.

International Convention on Load Lines 1966 (ICLL 1966) International Convention on Load Lines 1966 (ICLL 1966) International Convention on Load Lines 1966 (ICLL 1966) International Convention on Load Lines 1966 (ICLL 1966)